Next: Bus Synchronization
Up: Bus-based Dynamic Interconnection Networks
Previous: Single Bus Systems
Contents
Multiple Bus Systems
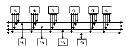
Figure 2.2:
Multiple bus with full bus memory connection (MBFBMC); multiple bus with single bus-memory connection (MBSBMC); multiple bus with partial bus memory connection (MBPBMC); and multiple bus with class-based memory connection (MBCBMC).
|
|
- A natural extension to the single shared bus system.
- A multiple bus multiprocessor system uses several parallel buses to interconnect multiple processors and multiple memory modules.
- A number of connection schemes are possible in this case.
- multiple bus with full bus memory connection (MBFBMC) (all),
- multiple bus with single bus memory connection (MBSBMC) (specific),
- multiple bus with partial bus memory connection (MBPBMC) (subset),
- multiple bus with class-based memory connection (MBCBMC) (classes, subset).
- In general, multiple bus multiprocessor organization offers a number of desirable features such as high reliability and ease of incremental growth.
- A single bus failure will leave (B - 1) distinct fault-free paths between the processors and the memory modules. On the other hand, when the number of buses is less than the number of memory modules (or the number of processors), bus contention is expected to increase.
Next: Bus Synchronization
Up: Bus-based Dynamic Interconnection Networks
Previous: Single Bus Systems
Contents
Cem Ozdogan
2006-12-27