System bus

Communication among processors, memory, and I/O modules.
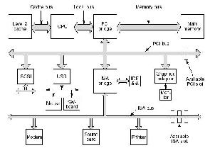
Figure 7: Top-level Components, Pentium System
\includegraphics[scale=0.5]{figures/toplevelcomponents.ps} \includegraphics[scale=0.5]{figures/largepentiumsystem.ps}


Cem Ozdogan 2004-03-06