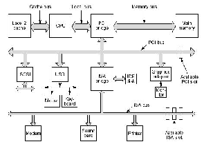
Communication among processors, memory, and I/O modules.
- A system bus would link the CPU and memory - this structure would involve a pathway along which data could travel (usually 32-bits side-by-side i.e. in bit-wise parallel), a pathway along which the address specifying a particular desired memory location could travel, and a few other lines which would tell the memory whether to store (write) or retrieve (read) data in an access.
- As any I/O device must pass data between the computer and the outside world, it will also be attached to the memory system and the CPU via the system bus.
Figure 1.7:
Top-level Components, Pentium System
|
2004-05-25